product center
发布日期:2018-08-08 浏览量:222
随着电力电子装置的广泛使用,非线性负荷不断增加,电网中的谐波含量也不断上升,谐波污染对电力系统安全、稳定、经济运行构成潜在威胁,给周围电气环境带来极大影响。如:消耗电力系统的无功储备;增加输电线损耗;增加了电机的附加谐波损耗,使其发热,缩短使用寿命;使电能测量产生较大误差;造成重要的和敏感的自动控制和保护装置工作紊乱,误动和拒动的现象增加,导致可靠性下降等。
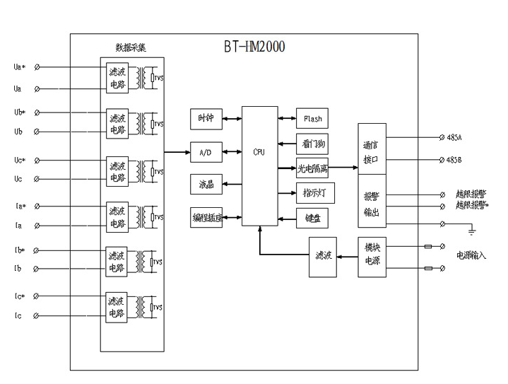
BT-HM2000谐波在线监测装置是我公司新一代产品,能够实时监测和分析电网中母线及线路的电压和电流的基波及2~21次谐波,可对谐波越限给出报警,并通过RS485或RS232通信接口将数据上传至后台监控系统,满足用户对电能质量的监测要求。本装置广泛适用于380V至220kV各电压等级的发电厂、变电站石油、煤矿、钢铁、冶金、化工等大型厂矿企业的供电系统。
1.采用先进的工业级中央处理器,运算速度快、工作状态稳定、抗干扰性能强。2.装置采用频率自动锁定技术,当系统频率发生变化后,装置仍能得出正确的分析结果3.基于快速傅里叶变换原理,运算结果快速准确,可对电力线路的基波及2至21次谐波电压、电流、总谐波畸变率进行日常监测。
4.监测方式灵活,可通过设定采样间隔和连续越限次数来避开暂态越限。5.报警条件可根据实际需要选择总谐波畸变率越限报警、电压和电流的某次谐波值越限报警,限值可修改。
6.越限时自动打印相关信息,并通过通信接口上传数据。
7.人机界面友好,汉字显示,操作简单、直观。
8.装置可记录30条越限记录。
1、环境要求
户内使用,通风应良好。
环境温度:-10°C~+50°C
相对湿度:小于90%,表面无凝露。
大气压力:80~ 110Kpa。
海拔高度:<2000m。
周围介质无导电尘埃与导致金属或使绝缘损坏的腐蚀性气体、霉菌等。
2、技术参数
工作电源:AC/DC220V,功耗<20W。
信号的测量范围:电压:5~120V;PT回路功耗 0.5VA/相。
电流:0.25A~5 A;CT回路功耗 0.5VA/相。
报警节点容量:AC250V,5A;DC30V,5A。
通信接口:RS232/485,波特率1200~9600bps。
通信规约:内置三种通信规约CM90、CDT、MODBUS。


液晶显示器:128x64图形点阵液晶,全中文显示。
指示灯:指示系统当前运行状态
运行:装置工作正常时,“运行”灯有规律的闪烁。
电源:装置工作电源指示。
电压越限:当电压谐波越限后点亮。
电流越限:当电流谐波越限后点亮。
装置故障:装置内部发生故障时点亮。
按键:用于设定参数、查看信息等操作。
打印机:打印越限数据。

